Technische specificaties
- Dynamisch Vario-DP ventiel van Gampper, aangepast voor de aansluiting op Jaga toestellen.
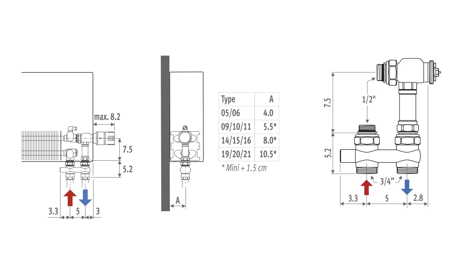
- 3/4” Euroconus buitendraad
- tweepijp
- aansluiting naar de vloer
- Geïntegreerde automatische debietregeling onafhankelijk van het drukverschil
- Eenvoudige en snelle instelling van het ontwerpdebiet, zonder ingewikkelde berekeningen
- traploze voorinstelling van 1 (20 l/u) tot 8 (340 l/u)
- aanvoer en retour volledig afsluitbaar
- Keymark certificaat
- Getest conform EN 215
- Schroefdraad M30 x 1.5
- Kunststof spindelbescherming voor regeling tijdens de bouwperiode
Bestelcodes
Ventiel, bediening en klemkoppelingen zijn inbegrepen in de prijs.
| Enkel verwarmen | ||
| COLO.GACF.JW.4 ... | Wit | JW |
| COLO.GACF.AC.4 ... | Chroom | AC |
| COLO.GACF.AW.4 ... | Wit | AW |
| COLO.GACF.AS.4 ... | Zilver | AS |
| COLO.GACF.MA.4 ... | Wit | MA |
| COLO.GACF.JH.4 ... | Wit | JH |
| COLO.GACF.HC.4 ... | Wit | HC |
| COLO.GACF.JB.4 ... | Zwart | JB |
code klemkoppeling invullen.
| Verwarmen en koelen | ||
| COLO.GACF.MA.4 ... | Wit | MA |
| COLO.GACF.HC.4 ... | Wit | HC |
code klemkoppeling invullen.
Klemkoppelingen
3/4" Klemkoppeling Eurocone - Kunststof of VPE/ALU
Bestelcode van de aansluitset aanvullen met de code van de klemkoppeling volgens de gebruikte buis en Ø
| Kunststof of VPE/ALU | ||||
| code | Buis Ø | code | Buis Ø | |
| 612 | 12/2 | 615 | 15/2.5 | |
| 614 | 14/2 | 619 | 16/1.5 | |
| 616 | 16/2 | 620 | 20/2 | |
| 617 | 17/2 | |||
| 618 | 18/2 | |||
Max. Aanhaalmoment Kunststof: 30-40 Nm VPE/Alu: 20-30 Nm
3/4" Klemkoppeling Eurocone - dunwandig metaal
Bestelcode van de aansluitset aanvullen met de code van de klemkoppeling volgens de gebruikte buis en Ø
| dunwandig metaal | |
| code | Buis Ø |
| 112 | 12/1 |
| 114 | 14/1 |
| 115 | 15/1 |
| 116 | 16/1 |
| 118 | 18/1 |
Max. Aanhaalmoment Dunwandig metaal: zacht koper 45-55 Nm, halfhard koper 60-80 Nm, zacht staal 60-70 Nm
Thermostaatkoppen
JAGA ADAPTOR VOOR THERMOSTAATKOPPEN BIJ HYBRIDE INSTALLATIES
Ideaal voor het ombouwen van traditionele installatie naar hybride installatie (verwarming/koeling)
Adapter voor het ombouwen van thermostaatventielen met thermostaatkop, om te voorkomen dat koudwatertoevoer in de zomer door de thermostaatkop afgesneden wordt.
| Bestelcode |
| 5090 1114 |