Set 118

Euroconus

Technische specificaties

  • 3/4” Euroconus buitendraad
  • Eenpijp en tweepijp
  • aansluiting naar de vloer
  • voorinstelling in 6 stappen
  • Kv-waarde tweepijp: 0.10 tot 0.60 m³/u.
  • éénpijp bypass regeling: 25% tot 100% debiet door radiator regelbaar
  • Twee geïntegreerde afsluiters en afsluitbare by-pass.
  • Getest conform EN 215
  • Schroefdraad M30 x 1.5(Heimeier compatibel)
  • Kunststof spindelbescherming voor regeling tijdens de bouwperiode

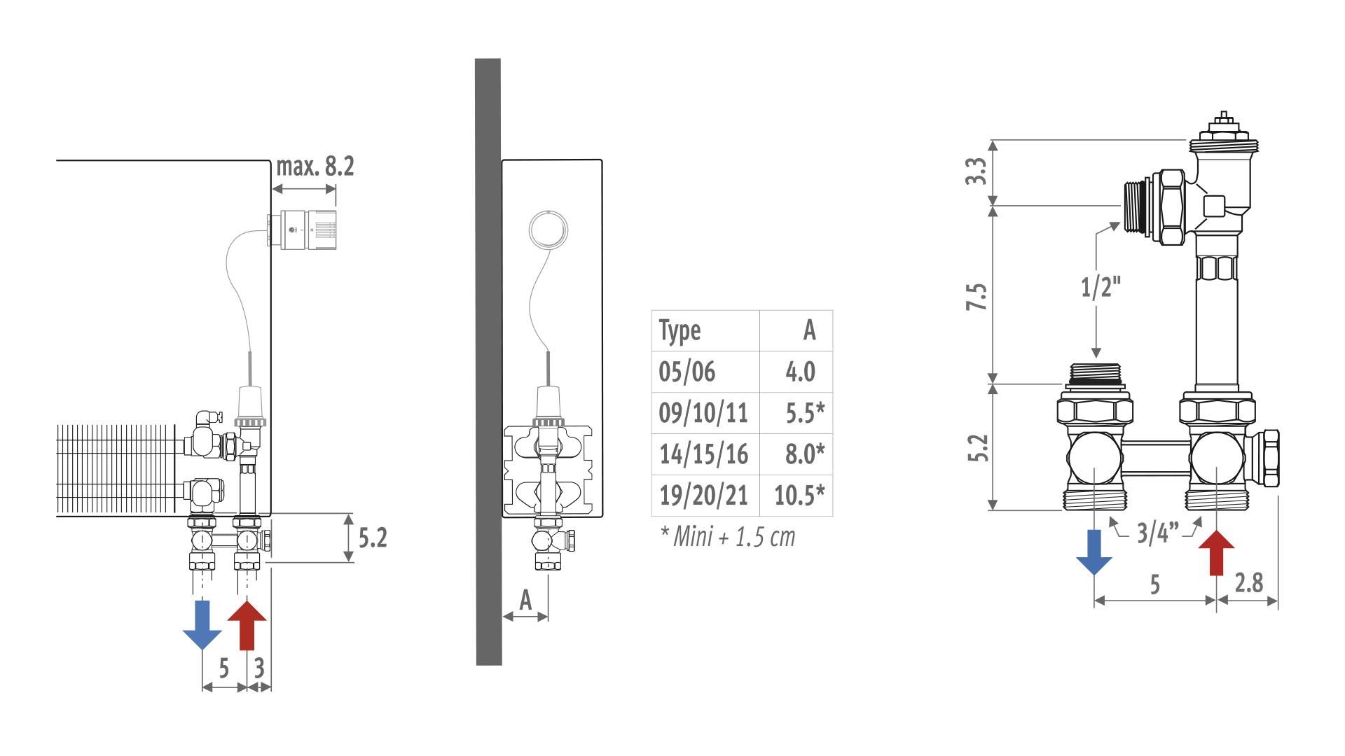
Afmetingen

Bestelcodes

Ventiel, bediening en klemkoppelingen zijn inbegrepen in de prijs.

Enkel verwarmen
COLO.VBSF.JW.4 ... Wit JW
COLO.VBSF.AC.4 ... Chroom AC
COLO.VBSF.AW.4 ... Wit AW
COLO.VBSF.AS.4 ... Zilver AS
COLO.VBSF.MA.4 ... Wit MA
COLO.VBSF.JH.4 ... Wit JH
COLO.VBSF.HC.4 ... Wit HC
COLO.VBSF.JB.4 ... Zwart JB

code klemkoppeling invullen.

Verwarmen en koelen
COLO.VBSF.MA.4 ... Wit MA
COLO.VBSF.HC.4 ... Wit HC

code klemkoppeling invullen.

Klemkoppelingen

3/4" Klemkoppeling Eurocone - Kunststof of VPE/ALU

 Bestelcode van de aansluitset aanvullen met de code van de klemkoppeling volgens de gebruikte buis en Ø

Kunststof of VPE/ALU
code Buis Ø   code Buis Ø
612 12/2   615 15/2.5
614 14/2   619 16/1.5
616 16/2   620 20/2
618 18/2

Max. Aanhaalmoment Kunststof: 30-40 Nm VPE/Alu: 20-30 Nm

3/4" Klemkoppeling Eurocone - dunwandig metaal

 Bestelcode van de aansluitset aanvullen met de code van de klemkoppeling volgens de gebruikte buis en Ø

dunwandig metaal
code Buis Ø
112 12/1
114 14/1
115 15/1
116 16/1
118 18/1

Max. Aanhaalmoment Dunwandig metaal: zacht koper 45-55 Nm, halfhard koper 60-80 Nm, zacht staal 60-70 Nm

Thermostaatkoppen

JW
JW
AC
AC
AW
AW
AS
AS
AB
AB
JH
JH
MA
MA
HC
HC

JAGA ADAPTOR VOOR THERMOSTAATKOPPEN BIJ HYBRIDE INSTALLATIES

Ideaal voor het ombouwen van traditionele installatie naar hybride installatie (verwarming/koeling)

Adapter voor het ombouwen van thermostaatventielen met thermostaatkop, om te voorkomen dat koudwatertoevoer in de zomer door de thermostaatkop afgesneden wordt.

Bestelcode
5090 1114

 

Jaga Adaptor

Drukverliezen

Op basis van het benodigde waterdebiet (kg/u) en beschikbaar drukverschil (bar) over het ventiel (Δp) kun je de juiste voorinstelling bepalen. De juiste instelling van de insert zorgt ervoor dat elk Jaga product precies het benodigde debiet krijgt, zodat de installatie hydraulisch in balans is en correct, stil en energiezuinig werkt.
Zie onderstaand document vanaf pagina 48 voor de drukverliezen.

Bekijk de drukverliezen hier