Technische specificaties
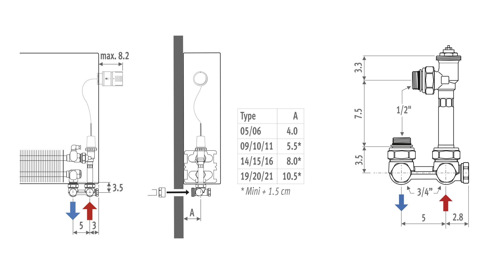
- 3/4” Euroconus buitendraad
- Eenpijp en tweepijp
- aansluiting naar de wand
- voorinstelling in 6 stappen
- Kv-waarde tweepijp: 0.10 tot 0.60 m³/u.
- éénpijp bypass regeling: 25% tot 100% debiet door radiator regelbaar
- Twee geïntegreerde afsluiters en afsluitbare by-pass.
- Getest conform EN 215
- Schroefdraad M30 x 1.5 (Heimeier compatibel)
- Kunststof spindelbescherming voor regeling tijdens de bouwperiode
Bestelcodes
Ventiel, bediening en klemkoppelingen zijn inbegrepen in de prijs
| Enkel verwarmen | ||
| COLO.VBSW.JW.4 ... | Wit | JW |
| COLO.VBSW.AC.4 ... | Chroom | AC |
| COLO.VBSW.AW.4 ... | Wit | AW |
| COLO.VBSW.AS.4 ... | Zilver | AS |
| COLO.VBSW.MA.4 ... | Wit | MA |
| COLO.VBSW.JH.4 ... | Wit | JH |
| COLO.VBSW.HC.4 ... | Wit | HC |
| COLO.VBSW.JB.4 ... | Zwart | JB |
code klemkoppeling invullen.
| Verwarmen en koelen | ||
| COLO.VBSW.MA.4 ... | Wit | MA |
| COLO.VBSW.HC.4 ... | Wit | HC |
code klemkoppeling invullen
Klemkoppelingen 3/4 Euroconus
3/4" Klemkoppeling Eurocone - Kunststof of VPE/ALU
Bestelcode van de aansluitset aanvullen met de code van de klemkoppeling volgens de gebruikte buis en Ø
| Kunststof of VPE/ALU | ||||
| code | Buis Ø | code | Buis Ø | |
| 612 | 12/2 | 615 | 15/2.5 | |
| 614 | 14/2 | 619 | 16/1.5 | |
| 616 | 16/2 | 620 | 20/2 | |
| 618 | 18/2 | |||
Max. Aanhaalmoment Kunststof: 30-40 Nm VPE/Alu: 20-30 Nm
3/4" Klemkoppeling Eurocone - dunwandig metaal
Bestelcode van de aansluitset aanvullen met de code van de klemkoppeling volgens de gebruikte buis en Ø
| dunwandig metaal | |
| code | Buis Ø |
| 112 | 12/1 |
| 114 | 14/1 |
| 115 | 15/1 |
| 116 | 16/1 |
| 118 | 18/1 |
Max. Aanhaalmoment Dunwandig metaal: zacht koper 45-55 Nm, halfhard koper 60-80 Nm, zacht staal 60-70 Nm
Thermostaatkoppen
JAGA ADAPTOR VOOR THERMOSTAATKOPPEN BIJ HYBRIDE INSTALLATIES
Ideaal voor het ombouwen van traditionele installatie naar hybride installatie (verwarming/koeling)
Adapter voor het ombouwen van thermostaatventielen met thermostaatkop, om te voorkomen dat koudwatertoevoer in de zomer door de thermostaatkop afgesneden wordt.
| Bestelcode |
| 5090 1114 |
Drukverliezen
Op basis van het benodigde waterdebiet (kg/u) en beschikbaar drukverschil (bar) over het ventiel (Δp) kun je de juiste voorinstelling bepalen. De juiste instelling van de insert zorgt ervoor dat elk Jaga product precies het benodigde debiet krijgt, zodat de installatie hydraulisch in balans is en correct, stil en energiezuinig werkt.
Zie onderstaand document vanaf pagina 48 voor de drukverliezen.